Grupo de aluminio Huajian Grupo de aluminio Huajian

¿Por qué elegirnos?

01

Equipo avanzado

La empresa cuenta con líneas de producción inteligentes de proceso completo para extrusión de aluminio, recubrimiento en polvo, recubrimiento de PVDF, veteado de madera, anodizado, electroforesis, tratamiento térmico y procesamiento profundo. La prensa de extrusión más grande de nuestra fábrica tiene una capacidad de 10.000 toneladas.

02

Mercado de productos

Nuestros productos se han exportado a más de 50 países de Asia, África, América, Europa y Oceanía. Se utilizan en numerosos proyectos nacionales e internacionales de renombre, como la Torre Z15, el Estadio Nacional de Patinaje de Velocidad para los Juegos Olímpicos de Invierno de 2022, la Embajada de Estados Unidos en China, la Ciudad Universitaria de Kuwait, el Palacio Presidencial de Tanzania y el programa de bienestar social de Angola.

03

Certificación Profesional

La empresa cuenta con un laboratorio acreditado por CNAS y está acreditada por CMA China Metrology. Hemos obtenido la certificación de cinco sistemas: ISO9001/IATF16949/ISO14001/ISO45001/ISO50001. Además, somos la primera empresa del sector en obtener la certificación "Tres Estrellas" de Materiales de Construcción Ecológicos de China y la certificación AAAA de Empresa de Buena Conducta Estandarizada.

04

Equipo profesional

La empresa cuenta con cerca de 10.000 empleados, incluyendo más de 100 profesionales y técnicos de alto nivel. Ha establecido un centro de diseño industrial de alto nivel a nivel nacional, un centro de tecnología empresarial a nivel provincial y un centro de investigación de ingeniería en Shandong. Ha sido reconocida como empresa nacional de alta tecnología y con ventajas en propiedad intelectual, y ha obtenido más de 1.600 patentes nacionales.

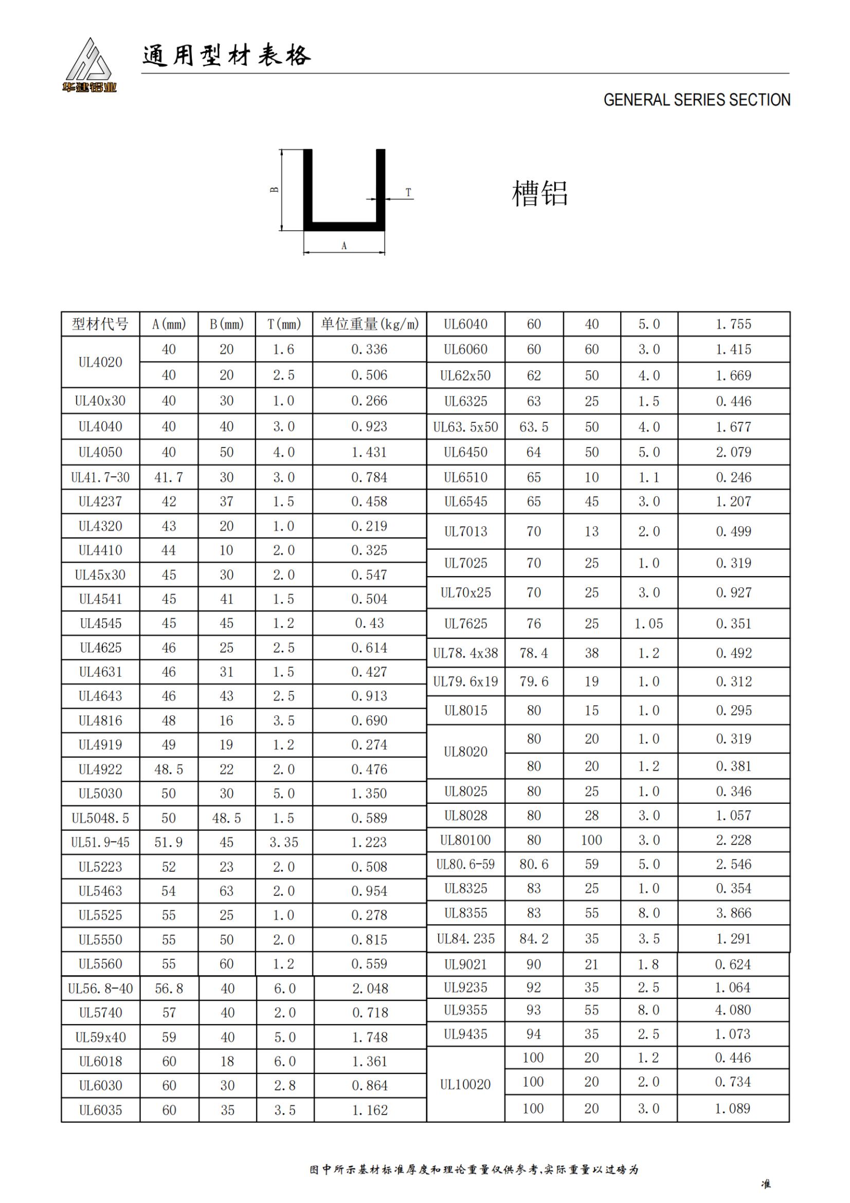
Categoría Principal

Perfiles de puertas y ventanas

Perfiles de puertas y ventanas

Ampliamente utilizado en campos como puertas, ventanas, paredes cortinas y decoración, combina funcionalidad y estética.
Perfiles de pared cortina

Perfiles de pared cortina

Ampliamente utilizado en campos como puertas, ventanas, paredes cortinas y decoración, combina funcionalidad y estética.
Perfiles decorativos

Perfiles decorativos

Ampliamente utilizado en campos como puertas, ventanas, paredes cortinas y decoración, combina funcionalidad y estética.